Einnietmutter mit Senkkopf & Schafträndelung, Stahl verzinkt, 10,9x18,5mm-M8

Artikel Nr.: 911094832008
https://automobile-hess.ch/web/image/product.template/1288483/image_1920?unique=3763516

    CHF 1.00 CHF 1.00 1.0 CHF

    CHF 1.00

    inkl. MwSt.

    Diese Kombination existiert nicht.

    Zum Warenkorb hinzufügen

    Beschreibung

    Diese Einnietmutter aus verzinktem Stahl bietet eine zuverlässige Möglichkeit, belastbare Gewindeverbindungen in dünnwandigen Konstruktionselementen zu realisieren. Durch die Kombination aus Blindnietverbindung und zusätzlicher Schraubverbindung lassen sich stabile Gewinde auch dort einsetzen, wo ein klassisches Gewindeschneiden nicht möglich ist. Die integrierte Schafträndelung sorgt für eine erhöhte Verdrehsicherung im Werkstück und ermöglicht höhere Anzugsdrehmomente. Dadurch eignet sich die Einnietmutter besonders für Anwendungen im Maschinenbau, Metallbau sowie bei Konstruktionen aus Aluminium, Kunststoff oder Fiberglas.

    Hinweise

    Die angegebenen Auszugswerte sind Richtwerte und können je nach Werkstück, Bohrlochtoleranz und Oberflächenrauigkeit variieren. Montage erfolgt mit geeignetem Blindnietmuttern-Werkzeug. Auf den passenden Bohrlochdurchmesser achten

    Technische Daten

    • Werkstoff: Stahl
    • Oberfläche: Verzinkt, blau passiviert
    • RoHS-konform: Ja
    • Gewinde: M8
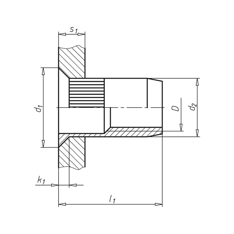
    • Länge (l1): 18,5 mm
    • Kopfdurchmesser (d1): 13,5 mm
    • Aussendurchmesser (d2): 10,9 mm
    • Kopfhöhe (k1): 1,5 mm
    • Klemmbereich: 1,5 – 4,0 mm
    • Zugbruchlast: 30840 N
    • Scherbruchlast: 4720 N
    • Max. Anziehdrehmoment: 20 Nm
    • Bohrlochdurchmesser: 11,0 mm
    • Schaftdetail: Mit Schafträndelung
    • Kopfform: Senkkopf

    Lieferumfang

    • 1x Einnietmutter M8 Stahl verzinkt mit Senkkopf und Schafträndelung