Gewindestift mit Innensechskant und Zapfen, Stahl 45H blank, M6x16 mm
Artikel Nr.: 9110257616
Beschreibung
Dieser Gewindestift aus Stahl mit Zapfen ist für Anwendungen ausgelegt, bei denen Bauteile sicher geklemmt oder auf ein Gegenstück gedrückt werden. Typische Einsatzbereiche sind zum Beispiel Stellringe oder vergleichbare Konstruktionen. Durch die hohe Härte ist der Gewindestift besonders widerstandsfähig und sorgt für eine hohe Torsionsfestigkeit im Innensechskant beim Anziehen und Lösen.
Hinweise
Gewindestifte aus Stahl dürfen nur auf Druck belastet werden Das Anschweissen, Anziehen oder Kontern mit Muttern sowie eine Belastung auf Biegung entsprechen nicht dem vorgesehenen Einsatzzweck. Jede Zugbelastung ist eine falsche Anwendung und kann zum Versagen führen.
Technische Daten
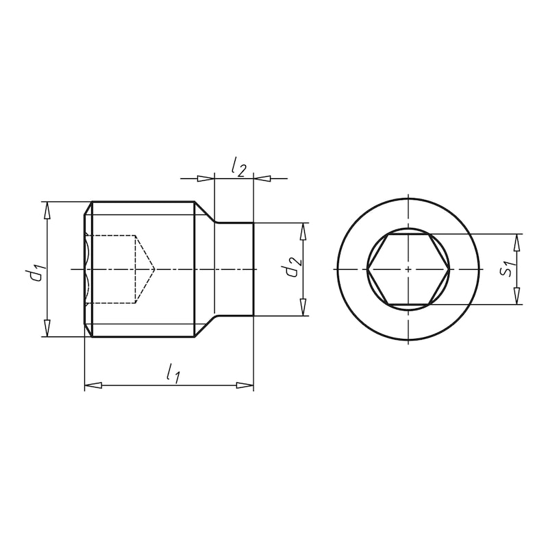
- Gewindeart x Nenndurchmesser: M6
- Länge: 16 mm
- Zapfendurchmesser: 4 mm
- Zapfenlänge: 3 mm
- Innenantrieb: IS3
- Norm: ISO 4028
- Werkstoff: Stahl
- Oberfläche: Blank
- Härteklasse: 45H
- Härte: 450 HV
- Antriebsart: Innensechskant
- Gewindeform: Regelgewinde
- Spitzenform: Zapfen
- RoHS-konform: Ja
Lieferumfang
- 1x Gewindestift Stahl blank mit Zapfen, M6 x 16 mm