Gewindestift mit Innensechskant & Zapfen, Stahl 45H blank, M5x10 mm

Artikel Nr.: 9110257510
https://automobile-hess.ch/web/image/product.template/2106266/image_1920?unique=2291b41

    CHF 0.26 CHF 0.26 0.26 CHF

    CHF 0.26

    inkl. MwSt.

    Diese Kombination existiert nicht.

    Zum Warenkorb hinzufügen

    Beschreibung

    Dieser Gewindestift aus Stahl mit Zapfen ist für Anwendungen vorgesehen, bei denen eine Druckbelastung im Vordergrund steht. Typische Einsätze sind das Klemmen in einem Stellring oder das Drücken auf ein Gegenstück. Durch die hohe Härte von 45H beziehungsweise 450 HV bietet der Gewindestift eine sehr gute Torsionsfestigkeit im Innenantrieb und eignet sich dadurch optimal für das sichere Anziehen und Lösen mit Innensechskant-Werkzeug.

    Hinweise

    Gewindestifte aus Stahl dürfen nur auf Druck belastet werden, siehe auch DIN EN ISO 898-5. Das Anschweissen, Anziehen mit Muttern oder Kontern sowie eine Belastung auf Biegung entsprechen nicht dem vorgesehenen Einsatzzweck. Auch das Aufbringen von Zugspannung kann zum Versagen führen und stellt mit grosser Wahrscheinlichkeit eine falsche Anwendung dar.

    Technische Daten

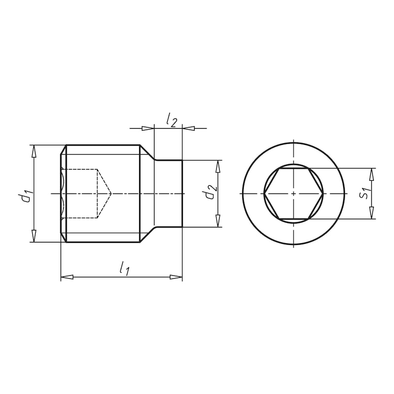
    • Gewindeart x Nenndurchmesser (d1): M5
    • Länge (l1): 10 mm
    • Zapfendurchmesser (d2): 3,5 mm
    • Zapfenlänge (l2): 2,5 mm
    • Innenantrieb (s1): IS2,5
    • Norm: ISO 4028
    • Werkstoff: Stahl
    • Oberfläche: Blank
    • Härteklasse: 45H
    • Antriebsart: Innensechskant
    • Gewindeform: Regelgewinde
    • Spitzenform: Zapfen
    • RoHS-konform: Ja

    Lieferumfang

    • 1x Gewindestift aus Stahl mit Zapfen, M5 x 10 mm