Gewindestift Innensechskant & Kegelstumpf, Stahl 45H blank, M5x16 mm

Artikel Nr.: 9110255516
https://automobile-hess.ch/web/image/product.template/2106274/image_1920?unique=cf93117

    CHF 0.32 CHF 0.32 0.32 CHF

    CHF 0.32

    inkl. MwSt.

    Diese Kombination existiert nicht.

    Zum Warenkorb hinzufügen

    Beschreibung

    Dieser Gewindestift nach ISO 4026 ist eine bewährte Lösung für Anwendungen, bei denen Bauteile sicher geklemmt oder auf ein Gegenstück gedrückt werden. Durch seine hohe Härte ist er speziell für Druckbelastungen ausgelegt und bietet eine hohe Torsionsfestigkeit im Innensechskant beim Anziehen und Lösen. Typische Einsatzbereiche sind unter anderem das Klemmen in einem Stellring oder vergleichbare Verbindungen im Maschinen- und Vorrichtungsbau. 

    Hinweise

    Gewindestifte aus Stahl dürfen nur auf Druck belastet werden. Anwendungen wie Anschweissen, Anziehen oder Kontern mit Muttern sowie Belastungen auf Biegung oder Zug entsprechen nicht dem vorgesehenen Einsatzzweck und können zum Versagen führen. Rostfreie Gewindestifte aus Edelstahl A2 oder A4 sind nicht speziell gehärtet und können gegebenenfalls für Zugbelastungen eingesetzt werden.

    Technische Daten

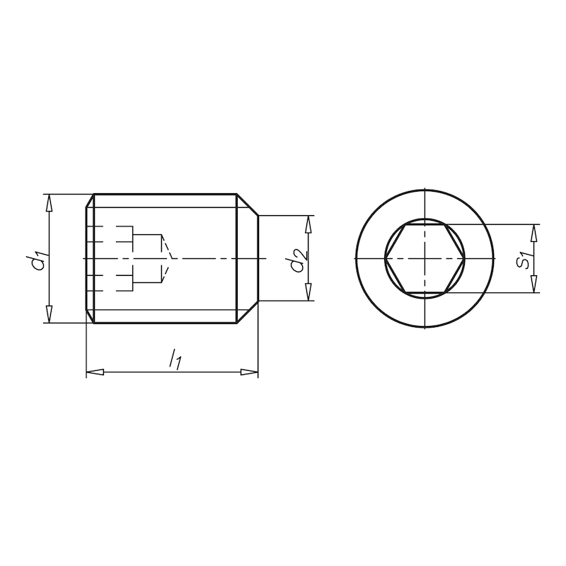
    • Norm: ISO 4026
    • Werkstoff: Stahl
    • Oberfläche: Blank
    • Härteklasse: 45H
    • Härte: 450 HV
    • Antriebsart: Innensechskant
    • Innenantrieb: IS2,5
    • Gewindeart: Metrisches Gewinde
    • Gewindeform: Regelgewinde
    • Gewinde / Nenndurchmesser (d1): M5
    • Länge (l1): 16 mm
    • Kegelkuppendurchmesser (d2): 3,5 mm
    • Spitzenform: Kegelstumpf
    • RoHS-konform: Ja

    Lieferumfang

    • 1x Gewindestift ISO 4026 M5 x 16 mm, Stahl blank, Härteklasse 45H